接单流程图

待接单
接单方式
基于对团队的要求,选择其中正确的接单方式
-
系统接单买手选择跟单客服批量接单;
-
手动接单团队无特殊要求接单选择买手批量接单;
-
手动vip接单选择买手批量接单(vip);
-
手动淘跨满减接单为淘跨满减接单;

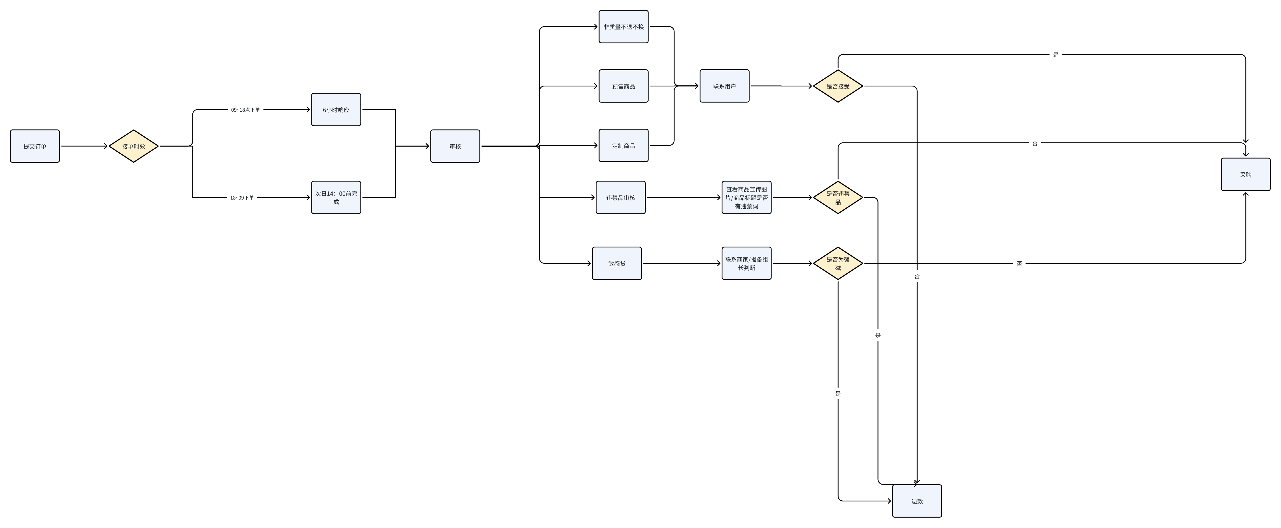
接单时效
北京时间09:00-18:00提交的代购订单,6小时内需完成接单响应;
北京时间18:00-09:00提交的代购订单,需要次日14:00前购买完毕;
用户已确认或补款后的订单,需要买手在24 小时内完成订购。
接单流程及操作
(从已接单到已采购单操作)
1、系统采购流程
操作方法:在【订单列表】点击【跟单客服批量接单】,此时会弹出一个弹窗,选择接单数量,最后点击【确定】,此时系统就会自己跑单,并统一支付,直到订单完成采购,变为【已采购】状态。
如果账号资金不足,订单就会变为【跨境采购待支付】状态,此时买手只需等待账户统一支付,订单就会变为【已采购状态】

2、手动采购流程
【此操作仅适用于兼职和单采】
具体操作:
买手需要在【订单列表】中选择【买手批量接单】此时订单状态变为【已接单】,买手需要点击【审核】,根据产品审核结果操作。
如果商品审核通过,点击【审核成功待采购】此时订单会进入【待采购状态】
如果商品属性特殊,需要与客户联系点击【需要与客户确认】


当订单产品状态为【待采购】点击右上角的【采购】按钮,再点击【生成采购订单】并点击【确定】此时订单就会变为【生成采购单】状态。


若是手动单采,系统会自动去采购平台跑单,直到订单变为【采购待付款】状态,此时若账户资金充足会统一支付。




已接单
手动审核及标准
接单之后需要点击当日【创建时间】筛选出当天已接到的订单,并根据商品宣传照片和商品标题、产品名称、商品详情页面初步进行审核。

各团队审核方式
1、系统接单:需等待产品状态为【生成采购单】、【跨境采购待支付】或【已采购】进行审核。
筛选方式:买手需要在erp【产品动态】中输入【产品名称】例如:不退不换、带电、香水等禁止运输或需要判断的字样。系统就会筛选出带有相关字样的相关商品。

2、手动接单:需等待产品状态为【已接单】点击【审核】进行审核,若根据商品性质需和客户确认点击【需要与客户确认】,此时在该节点就会发送工单给客户。若无需联系用户,或商品属性正常,则点击【审核成功待采购】进入下一步流程。


商品审核时效:接单当天24:00之前并在采购平台申请退款。
1、违禁品审核
触发条件:商品标题包含违禁品词,宣传图片涉及违禁品
例:甩棍、匕首、酒精、指虎、假钞等商品(具体参考知识库通用流程-跨境物流商品渠道寄送建议篇章)
处理方案:若核实到违禁品需要立即告知客户已在操作退货流程并给客户全额退款,若判断不了需要报备组长进行核实。
建议话术:
亲爱的客户,感谢您选择我们网站的服务。关于您购买的商品,经初步核查,属于目标国海关规定的限制品,可能导致包裹无法清关或被扣留。为避免给您造成损失,我们将会为您处理全额退款,感谢您的理解。
2、敏感货审核
触发条件:商品标题包含磁、香水、含液体等商品名称、成人用品等
例:磁吸商品、香水、含液体的商品(钢笔、保湿水、中性笔)、成人用品等
处理方案:若核实到敏感货需要根据商品链接和标题判断商品容量、属性、成份是否可以购买,若能购买则正常采购,若不能购买需要根据实际情况如实告知客户原因,并给客户处理全额退货退款,若判断不了需要报备组长进行核实。
建议话术:
您好,非常抱歉地通知您,经我们严格审核和物流确认,您的商品由于 [选择或简述具体原因:如‘涉及版权问题’/‘属于易燃易爆禁运品’/‘运输破损风险过高且无可靠保障’/‘无运输路线承接’],无法为您提供代购服务。您为此商品支付的金额将全额退回至您的余额账户。给您带来的不便,我们深表歉意。
3、非质量不退不换商品、预售商品、定制商品审核
接单之后需要手动审核商品是否是非质量不退不换或定制不支持退货退款,预售等商品,若是需要及时通知客户,告知情况。
触发条件:商品标题或商品详情页面包含非质量不退不换、定制商品、预售等字样。
(1)非质量不退不换商品审核


触发条件:商品标题或商品详情页面包含非质量不退不换等字样
处理方案:若核实到商品为非质量不退不换商品,需要及时通知客户,告知情况。
建议话术:
亲爱的客户,感谢您对我们网站的支持。我们注意到您选购的商品属于非质量问题不退不换商品,我们特此提醒您请务必仔细核对商品信息(品牌、型号、规格、尺寸、颜色等)、确认个人需求及尺码(建议参考商家尺码表)。
我们提供的是代购服务,即根据您的委托购买指定商品。
根据商家的要求,此商品非质量以外的问题(包含商品存在污渍、商品破损、尺码错误等客观问题)将不处理退换货的申请,请您理解。
(2)预售商品审核

触发条件:商品标题或商品详情页面包含预售、定向金、定做不退不换等字样。
处理方案:若核实到商品为预售商品需要联系用户,告知情况。
注意事项:若商品详情,或商家有保证明确发货时效和阶段,需在询问客户中补充。
建议话术:
亲爱的客户,感谢您对我们网站的支持。我们特此提醒您,您选购的商品为预售商品,一般情况下,预售商品需要更长的等待周期,另外,由于预售商品的特殊性(需要提前锁定生产/采购计划、资金投入、限量发售等),商家设定预售商品不支持无理由退货,感谢您的理解。
(3)定制商品审核
单采/兼职

触发条件:商品标题或商品详情页面包含定制、定做等字样
处理方案:若核实到商品为定制商品需要和客户核实定制内容,并告知客户该商品不退不换。
①客户已有备注
流程要求:当订单已有备注,且备注清晰,买手需在接单当天24:00之前告知客户该商品为定制商品,一旦完成定制将不退不换。

话术建议:亲爱的客户,感谢您对我们网站的支持,我们特此提醒您由于定制商品的特殊性,完成制作后不支持退换(包括但不限于:尺寸/颜色/刻字内容等),感谢您的理解和支持。
②客户无备注或备注不清楚

流程要求:当订单无备注,或备注不清晰,买手需当天24:00之前创建产品工单引导用户提供/确认客户的定制需求,并统一告知客户定制商品不支持退换货。
时效:买手在当天24:00之前和客户确认/咨询定制信息,若客户超出3天仍旧没有回复,买手需要在第4天继续咨询客户订制内容,若超出5天没有回复,买手需在第6天为客户办理全额退款并通知客户。
首次回复话术:
亲爱的客户,感谢您对我们网站的支持,由于定制商品的特殊性,我们温馨提醒您注意以下重要事项:
1、定制商品属性特殊,完成制作后不支持退换(包括但不限于:尺寸/颜色/刻字内容等)
2、看到您没有在订单上备注您的定制需求,请您及时告知我们您需要定制的款式/颜色/尺寸/特殊需求,(若备注不清晰,买手需要告知客户请问您确认定制需求是否为xxx),否则商家无法为您正常发货。
第二次跟进话术:
亲爱的客户,由于您没有提供定制需求(定制需求不清晰,根据实际情况编辑),商家无法为您发货,请您尽快答复我们,请您在48小时内尽快答复我们,若超出时效,我们将会给您办理全额退款,期待您的回复。
(4)禁止采购品牌审核
系统目前会产生以下三类审核标签:
A.禁止采购品牌
含义:该品牌已在品牌库中被明确标记为禁止采购品牌。
B.采购人工审核
含义:系统在品牌库中未找到明确品牌信息,需要人工确认品牌是否允许采购。
处理规则:采购人员需要对品牌进行确认后,判断是否可以继续采购。
C.疑似欧美品牌
含义:SKU品牌库未识别到明确品牌,但AI判断商品可能属于欧美品牌。
处理规则:需要进行严格人工确认,确保品牌不属于限制或禁止采购范围后,才可以继续采购。
❗️❗️❗️注意事项:从该功能上线开始,所有商品在采购前均需要经过品牌审核流程。即使系统未识别出明确品牌,也需要采购人员进行人工确认。
因此可以理解为:从当前规则开始,所有采购行为默认都需要进行人工审核确认,以确保商品品牌符合采购规范和平台合规要求。
采购处理规则
不同标签对应的处理方式如下:

人工审核后确认可以采购的,需要恢复自动采购,可参考下列示例图及操作方式
恢复自动采购流程

操作方式:在采购订单的页面上 点击 '淘跨1688设置为自动采购' 则恢复自动采购流程, 需要买手核实商品无品牌侵权风险后,方可恢复。
4、是否满足混批条件
当部分商家售卖商品需要满足混批条件才能发货,此时客户购买数量足够,系统就会正常购买,若购买数量不足,系统就会提示该订单存在不满足混批条件购买,我们需要和商家协商,若商家愿意发货则正常给客户购买,若商家仍不答应需在当天24:00之前告知客户情况并给客户操作全额退款。
若不满足混批条件建议话术:
亲爱的客户,您购买的这款商品供应商设置了购买数量,我们检查了您的当前选择,不符合商家发货的条件,因此我们将会为您处理全额退款,感谢您的理解和支持。
生成采购单
已接单未采购换货流程(更换颜色/款式/尺寸)
若此时客户想要换货,买手需创建对客工单咨询客户想要换的款式/颜色/尺寸。
(1)无需补款
若换货的价值和原本的商品一致,买手需要联系商家告知客户想要更换的颜色/尺寸/款式,并正常采购。
(2)需要补款
系统接单:若换货资金与原本的商品有差异,系统接单采购需退回到接单池。由单采和手动接单购买。
手动接单和单采:需要根据商家提供的金额,联系用户补款。
用户接受则进入补款环节,用户不接受则全额退款。
补款确认及操作(首次补款):
买手点击完成接单后,在待采购产品状态“订单详情”中点击【重新审核】,如果一个订单多个商品买手需要将不需要补款的移除审核,并点击【需要与客户确认】在工单中告知客户需要补款的内容,咨询客户是否接受。
并再次点击【审核】再选择【审核失败待补款】并填入需要补款的金额。
若客户在48小时内完成补款,则商品进入正常购买流程;
若客户不接受,买手需要在48小时后再次跟进咨询客户补款,若客户及时补款则进入正常流程,若客户超出3天没有补款,则为客户处理全额退款。
补款跟进频次:三天两次(首次跟进后,客户若没有补款,买手需在48小时再次跟进咨询客户补款)




二次补款:
若客户支付时,商家价格有所变动,就会涉及二次补款。
①客户未支付,二次补款操作方法
需要买手在【待采购】中点击【取消补款】并按照第一次补款方式重新审核补款

②客户已支付,二次补款操作方法
如果客户已补款,但是商家价格变动需设置新标签再次补款

1688的改价方式:

采购待付款
淘宝、1688采购平台如果资金不足,下单后会出现在“采购超时”页面,如果成功付款后,正常情况下“采购超时”页面下的订单自动会清空,进入已”已采购“流程阶段。

时效:接单后T+1个自然日需要完成支付,出现客观异常需要及时报备。
若平台已经支付,但”采购超时“页面还有异常订单,需要核对原因进行操作
(1)订单支付超时
情景:当订单超出采购平台截至支付时间后,订单就会支付超时;
方案:此时需要买手重新下单,系统接单和单采采购需等待平台账户统一支付,备用金采购需要使用备用金支付。
(2)账户资金不足
情景:当平台账户资金不足时,采购平台会出现”跨境采购待支付“。
方案:此时买手需联系对应负责人及时反馈情况;兼职买手出现资金不足,需在采购买手群中申请备用金;
(3)系统报错

情景:当接单-已采购节点之前,系统出现代码技术bug的弹窗(如图);
方案:异常当天24:00之前飞书咨询技术刘彬并跟进直到异常问题已解决。
采购前的退款流程及操作
(一)涉及退款的场景
用户个人原因:不喜欢、多买、错买等主观原因
商品原因:
1、违禁品无法购买
2、敏感货不支持购买
3、不退不换/预售/定制商品,用户不接受购买
4、不满足混批条件
5、用户不接受补款/或超3天未补款
(二)系统操作
产品状态:已接单、待采购、生成采购单
退款原因:商品原因、用户个人原因
系统操作:在【订单列表】页面,点击【订单全额退款】,选择退款原因并提交;


注意事项:
①同一SKU多个商品,如需申请部分退款,系统接单需要等待整个订单进入已采购状态才可以操作;
具体操作参考【已采购的退款流程及操作】部分文档
② 采购待付款状态,需订单进入已采购状态才可以操作;
补充:生成采购单节点第二种退款方式
退款原因:商品原因、用户个人原因
系统操作:
【采购订单】—点击【申请erp售后】—根据实际情况,完善退款信息— 提交


